دنیای اطلاعات: لید اسکروها (Leadscrew) یا “پیچ انتقال قدرت” از مهمترین اجزای مکانیکی به کار رفته در بسیاری از دستگاه ها و مکانیزم ها هستند که به صورت گسترده در پرینترهای سه بعدی و دستگاه های CNC مورد استفاده قرار می گیرند. انتخاب لید اسکرو مناسب برای استفاده در کاربردهای گوناگون، همواره از چالش های پیش روی اشخاص و به خصوص افراد تازه کار بوده است. با ما همراه باشید تا شما را با مهم ترین فاکتورهایی که باید در انتخاب یک لید اسکرو مناسب مورد توجه قرار دهیم آشنا کنیم.
لید اسکرو که به آن پیچ قدرت یا پیچ انتقال نیز می گویند، نوعی پیچ است که برای تبدیل حرکت دورانی به حرکت خطی در بسیاری از ماشین ها مورد استفاده قرار می گیرد. لید اسکروها به دلیل دارا بودن مزایایی همچون فشردگی و اشغال فضای کم، طراحی ساده، ساخت آسان، دقت بسیار بالا، کم بودن تعداد قطعات به کار رفته در آنها و مزیت های بسیار دیگر، از مهم ترین ابزارهای مورد استفاده در بسیاری از مکانیزم ها و دستگاه های مکانیکی هستند. اجزاء اصلی لید اسکرو یک میله فولادی به عنوان پیچ و یک مهره هستند که در تماس مستقیم با یکدیگر قرار دارند. در لید اسکرو، پیچ ها غالبا از جنس فولاد هستند. اما مهره می تواند از جنس پلاستیک و پلیمر و یا انواع مختلف کامپوزیت ها باشد. به دلیل آنکه این سطح تماس بین پیچ و مهره در محل رزوه ها نسبتا زیاد است، معمولا اتلاف انرژی اصطکاکی در لید اسکرو بالاست. به همین دلیل، از لید اسکرو برای انتقال توان های بسیار بالا استفاده نمی شود. کاربرد اصلی لید اسکرو در مکانیزم های تعیین موقعیت و عملگرهای خطی با توان پایین همچون انواع مختلف جک ها، گیره ها، پرینترهای سه بعدی و دستگاه های CNC است که حرکت های رفت و برگشتی دائما در آن ها تکرار می شود.
انواع لید اسکرو
لید اسکروها براساس شکل و هندسه رزوه ها تقسیم بندی می شوند. برخلاف بسیاری از پیچ ها که هندسه رزوه در آن ها V شکل است، به دلیل اصطکاک بالای این نوع رزوه ها و اتلاف انرژی بالا در آنها در لید اسکرو از این نوع رزوه ها استفاده نمی شود. هندسه رزوه در لید اسکروها غالبا به سه شکل مربعی، باترس یا ارهای (Buttress) و اکمه (ACME) است.
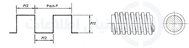
لید اسکرو با رزوه مربعی (Square thread)

رزوه های مربعی دارای بیشترین راندمان و کمترین اصطکاک در بین انواع مختلف رزوه های به کار رفته در لید اسکروها هستند. به همین دلیل از این رزوه ها در مکانیزم هایی که نیاز به انتقال قدرت بالا دارند استفاده می شود. در عین حال، رزوه های مربعی دارای پیچیده ترین روش آماده سازی و ماشین کاری نیز هستند که همین موضوع باعث بیشتر شدن هزینه ساخت آن ها در مقایسه با دیگر رزوه ها شده است.
لید اسکرو با رزوه باترس یا پایهای (Buttress thread)

رزوه های باترس هندسه ای مثلث شکل دارند. این رزوه ها در مواردی که نیروی بار تنها در یک جهت به رزوه وارد می شود کاربرد دارند و در این کاربرد خاص به اندازه رزوه های مربعی دارای راندمان هستند. درحالیکه روش ساخت به مراتب ساده تر و کم هزینه تری دارند.
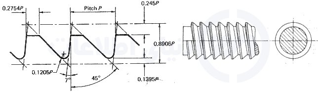
لید اسکرو با رزوه آکمه یا قلهای (Acme thread)

رزوه های آکمه به دلیل دارا بودن زاویه ۲۹ درجهای، در مقایسه با رزوه های مربعی روش ساخت ساده تر و ارزان تری دارند. وجود هندسه زاویه دار در این رزوه ها باعث افزایش اصطکاک و به دنبال آن کاهش راندمان آن ها نسبت به هندسه مربعی شده است. همچنین این رزوه ها توانایی تحمل بار بیشتری نیز دارند.
انتخاب لید اسکرو
برای آنکه بخواهیم لید اسکرو مناسب برای کار مورد نظر خود را انتخاب کنیم، لازم است که به چند سوال پاسخ بدهیم. اینکه قرار است چه گشتاور و چه نیرویی توسط لید اسکرو منتقل شود؟ چه سرعتی برای حرکت مهره مورد نظر است؟ و حداقل دقت مورد نیاز برای حرکت خطی چه قدر است؟
گشتاور و نیرو در لید اسکرو
در لید اسکرو، گشتاور بالابرنده و پایین برنده پیچ با نیروی ایجادشده بر روی آن رابطه دارد. برای انتخاب لید اسکرو مناسب هر کار، توجه به رابطه این گشتاور و نیرو ضروری است و مهم ترین و اولین فاکتور در انتخاب لید اسکرو است.
نیروی شکل گرفته بر روی لید اسکرو میتواند به صورت کششی یا فشاری باشد.
رابطه گشتاورهای بالابر و پایین بر با نیرو در لید اسکرو به صورت زیر است:
در این روابط، T گشتاور، F نیرو، dm قطر متوسط پیچ لید اسکرو، μ ضریب اصطکاک بین پیچ و مهره در لید اسکرو (مطابق جدول زیر) و l پیشروی پیچ هستند.
| ضریب اصطکاک در حین حرکت | ضریب اصطکاک در شروع حرکت | جنس مواد پیچ و مهره |
| ۱۲/۰ | ۱۷/۰ | فولاد نرم/ چدن |
| ۰۹/۰ | ۱۵/۰ | فولاد سخت/ چدن |
| ۰۸/۰ | ۱۰/۰ | فولاد نرم/ برنز |
| ۰۶/۰ | ۰۸/۰ | فولاد سخت/ برنز |
هر چه مقدار نیرو و گشتاور انتقالی بیشتر باشد، قطر پیچ در لید اسکرو باید بیشتر باشد. مقدار نیروی ایجاد شده بر روی لید اسکرو در تعیین جنس مهره آن نیز تاثیرگذار است. برای نیروهای کم (در حدود کمتر از ۱۵۰۰ نیوتون) امکان استفاده از مهره های پلاستیکی هم وجود دارد. اما برای نیروهای خیلی بزرگ استفاده از مهره های برنزی و فلزی توصیه می شود.
در حال حاضر محاسبه گرهای آنلاینی وجود دارند که می توان محاسبات مربوط به تبدیل نیرو و گشتاور موجود بر روی لید اسکرو را به راحتی با استفاده از آن ها انجام داد.
سرعت پیشروی در لید اسکرو
دومین فاکتور تاثیرگذار در انتخاب لید اسکرو، سرعت مورد نظر برای حرکت خطی و دورانی است. تمامی مکانیزم های حاوی پیچ دارای یک سرعت عملکرد بحرانی هستند که ارتعاشات شدید و دیگر پدیده های دینامیکی مخرب در این سرعت به پیچ وارد می شوند و در هنگام طراحی باید به آن توجه کرد. این سرعت به قطر و طول پیچ و چگونگی قرارگیری آن بین تکیه گاه ها بستگی دارد. مقدار این سرعت از رابطه زیر به دست می آید. با این حال پیشنهاد می شود بیشترین سرعت لحاظ شده برای استفاده از لید اسکرو برابر ۸۰ درصد مقدار اندازه گیری شده توسط این رابطه درنظرگرفته شود.
در این رابطه dr حداقل قطر لید اسکرو برحسب اینچ، L طول لید اسکرو بین تکیهگاه های نگهدارنده آن و N سرعت بحرانی برحسب دور بر دقیقه است. همچنین پارامتر C نیز با توجه به شرایط تکیه گاهی نگهدارنده لید اسکرو و به صورت زیر تعیین می شود. برای پیدا کردن سرعت خطی لید اسکرو باید مقدار سرعت دورانی به دست آمده در بالا را در اندازه گام پیچ ضرب کرد.
مقدار C برای شرایط تکیه گاهی یک انتها ثابت و یک انتها آزاد برابر با ۳۶/۰، برای هر دو انتها ساده برابر ۱، برای یک انتها ثابت و یک انتها ساده برابر ۴۷/۱ و برای هر دو انتها ثابت برابر ۲۳/۲ می باشد.
دقت لید اسکرو
در بررسی دقت لید اسکرو باید به دو نکته مهم توجه کرد.
۱- حداقل مقدار پیشروی مورد نیاز مهره چه قدر باشد؟ مقدار پیشروی مهره مخصوصا در پرینترهای سه بعدی یا دستگاه های CNC که تامین دقت مورد نظر حرکت در آن ها بسیار مهم است اهمیت زیادی دارد. هر چه گام پیچ کوچکتر باشد، حرکت مهره دقیق تر خواهد بود. چرا که با یک دور چرخش پیچ، مهره جابجایی کمتری خواهد داشت.
۲- نکته دوم که در بحث دقت لید اسکرو حائز اهمیت است، مقدار پس زنی (Backlash) لید اسکرو است. معمولا لید اسکروهای استاندارد هم حداقل Backlash 002/0 تا ۰۱/۰ اینچ را دارا هستند. درصورتیکه نیاز به استفاده از لید اسکرویی با دقت بسیار بالا و Backlash پایین داریم، استفاده از لید اسکروهای ضد Backlash توصیه می شود. در این لید اسکروها، به جای یک مهره، از دو مهره که بین آن ها یک فنر با قابلیت تنظیم نیروی پیش بار (preload) وجود دارد استفاده می شود. درصورتیکه مقدار نیروی پیش بار موجود در فنر برابر با نیروی محوری وارد شده به لید اسکرو باشد، Backlash تا حد بسیار زیادی از بین می رود و دقت لید اسکرو افزایش پیدا می کند.
ضریب فشار-سرعت
علاوه بر موارد ذکر شده در بالا که مهم ترین پارامترها در انتخاب لید اسکرو هستند، فاکتورهای کم اهمیت تر دیگری نیز وجود دارند که توجه به آن ها در انتخاب لید اسکرو مناسب خالی از لطف نیست. یکی از این فاکتورها، ضریب فشار-سرعت یا PV است. هر ماده ای که در حال حرکت، نیرو و فشاری را تحمل می کند، به سبب وجود اصطکاک و گرمای ایجاد شده در طی حرکت، دارای محدودیت هایی از نظر مقدار بار و سرعت اعمال شده بر روی آن است. درصورتیکه مقدار این بار و سرعت از مقدار مشخصی بیشتر شود، می تواند باعث آسیب رسیدن به آن ماده شود. ضریب فشار-سرعت، فاکتوری است که فشار و سرعت مجاز قابل اعمال به یک ماده را کنترل می کند. مواد مختلف دارای ضرایب PV مخصوص به خود هستند. ضریب PV مخصوصا در مواد پلاستیکی و پلیمری که در مقابل گرما آسیب پذیرتر هستند اهمیت بیشتری دارد. در انتخاب جنس مهره لید اسکرو، با استفاده از رابطه زیر، محدوده PV را برای مهره پیدا کرده و مهره را از جنسی انتخاب می کنیم که دارای ضریب PV بیشتر از مقدار محاسبه شده باشد. بدین صورت مطمئن هستیم که مهره انتخابی در شرایط کاری لید اسکرو آسیب نخواهد دید.
در انتخاب لید اسکرو لازم است تا تمامی فاکتورهای بالا مورد توجه قرار گیرد. برای تامین نیازهای کاری خود می توانیم با تغییر در پارامترهای مختلف لید اسکرو همچون قطر پیچ، گام پیچ، جنس مهره، هندسه رزوه، تغییر در تکیه گاه های نگهدارنده لید اسکرو و … مناسبترین لید اسکرو ممکن برای هر کار را انتخاب کنیم.
منبع: sanatbazar
دنیای اطلاعات مرجع کامل اطلاعات